Türkiye Distribütörü
- Açıklamalar
- Görseller
- Broşürler
- Videolar
AVAX S100 Otomatik Düşen Kollu Tripod Turnike çalışma voltajı 24 V/(AC)'dir. -25 derece ile +70 derece arasındaki bütün sıcaklıklar sorunsuz olarak çalışmasına devam eden bu turnikemiz, şık görüntüsü ile dikkatleri üzerine toplamayı başarmıştır.
AVAX S100 Tripod Turnike, en çok tercih edilen modellerimizdendir. Uygun fiyatlara sahip olmak için bizi aramanız yeterli.
AVAX S100 Tripod Turnike Teknik Özellikleri
Gövde: Turnike Kolları ve gövdesi paslanmaz 304 çeliktir.
Düşen Kol: Elektrik kesintisi yada acil durumlarda otomatik düşen kolu sayesinde hızlı tahliyeyi sağlar
Çalışa Süresi: Turnike sistemleri, 7/24 kesintisiz kullanım için için endüstriyel parçalarla imal edilmiştir.
Düşen Kol: Elektrik kesintisi yada acil durumlarda otomatik düşen kolu sayesinde hızlı tahliyeyi sağlar
Çalışa Süresi: Turnike sistemleri, 7/24 kesintisiz kullanım için için endüstriyel parçalarla imal edilmiştir.
Turnikeden Geçiş Aralığı: ≤ 550 milimetrelik geçiş alanına sahiptir.
Verim Oranlar: 35 p/m verim oranına sahiptir.
Güç Kaynak Özelliği: 100 V/(AC) - 240 V/(AC) güç kaynağı bulunur.
Çalışma Voltaj Değeri: 24 V/(AC) çalışma voltajına sahip
Maksimum Güç Tüketimler: 35W güç tüketimi
Bel Turnikesi Frekans: 50-60 HZ frekanslıdır.
Çalışma Sıcaklık Değeri: -25 ile +70 derece arası tüm sıcaklıklar
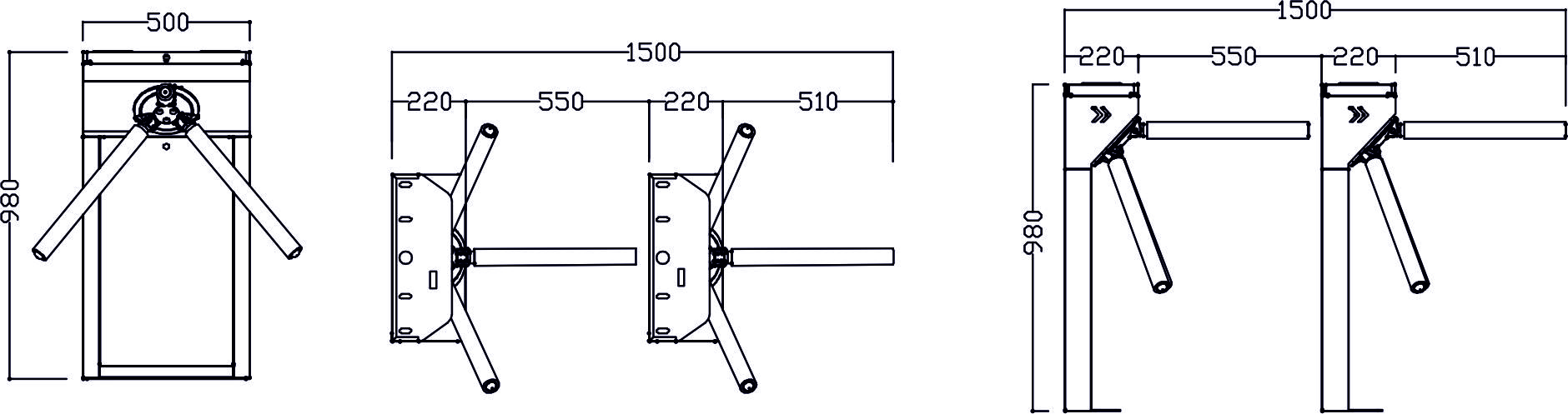
Kollar Hariç Boyutu: 550 milimetre X 220 milimetre X 980 milimetre
Teknik Çizim

Kullanım Alanları
| Fabrikalar | Havalimanları | Kamu Kurumları | Plazalar | Akıllı Binalar |
| Hastaneler | Lojistik Sahalar | Zincir Mağazalar | Residınslar | Barajlar |
| İş Merkezleri | Eğitim Kurumları | Oteller | Askeri Alanlar | Alışveriş Merkezleri |



| Dosya Adı | İşlem | |
Görmeniz Gereken Diğer Ürünler

